At Bearing King, we are proud to offer an extensive selection of RHP bearings and RHP housing solutions, trusted by engineers and maintenance professionals for their unmatched quality, durability, and reliability. As a leading name in the bearing industry, RHP has earned a reputation for manufacturing premium bearings and bearing units that are engineered for exceptional performance in demanding industrial environments.
Our RHP collection includes a wide variety of products tailored to meet the diverse needs of machinery across sectors such as agriculture, food processing, materials handling, manufacturing, and more. Whether you're replacing a worn-out unit or specifying components for a new installation, we have the RHP products you need.
RHP Pillow Block Bearings – Versatile and Durable
One of the most popular types in our range is the RHP Pillow Block Bearings. These bearings are ideal for applications requiring support for rotating shafts and can be used in both light and heavy-duty applications. At Bearing King, we supply both 2 bolt pillow cast iron and 2 bolt pillow cast imperial RHP units, ensuring compatibility with various machinery specifications.
Each pillow block unit features a strong cast iron RHP housing, pre-lubricated bearing insert, and reliable sealing systems to ensure long service life even under harsh conditions. These units are easy to install and maintain, making them a preferred choice across multiple industries.
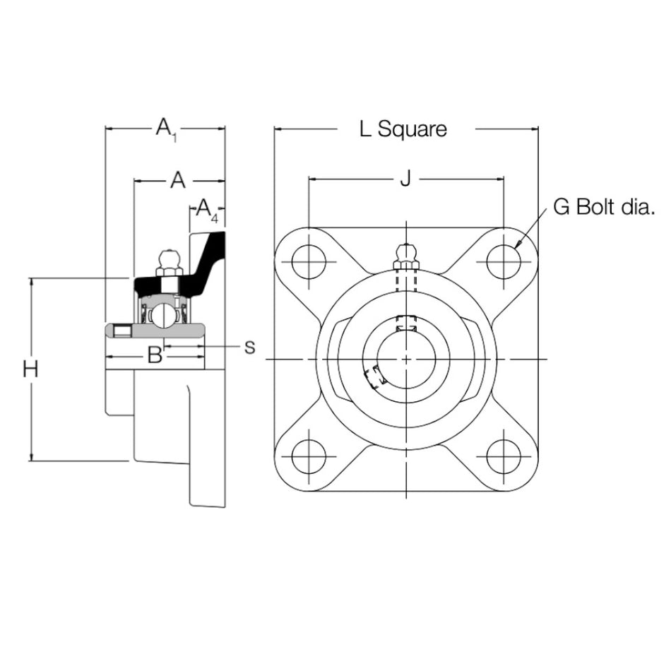
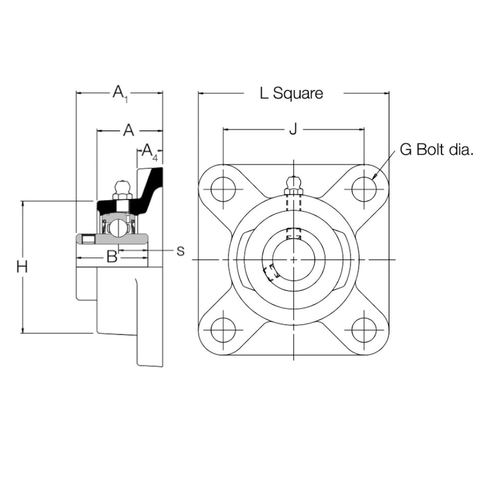
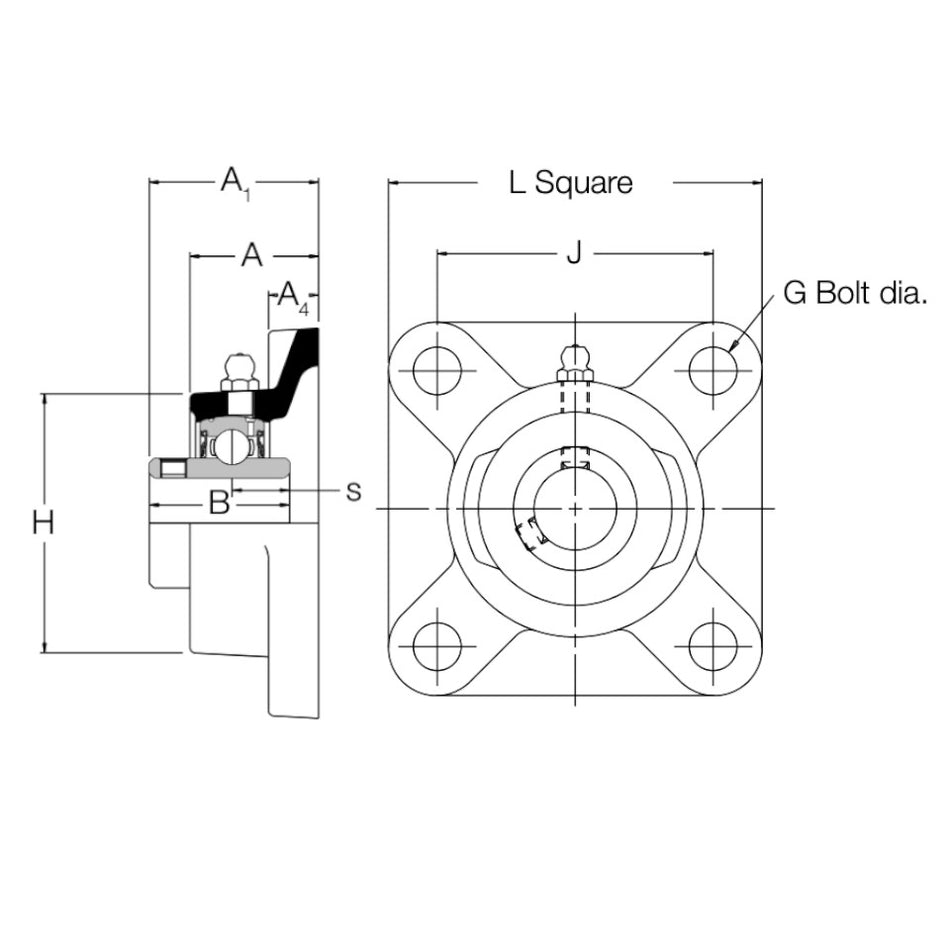
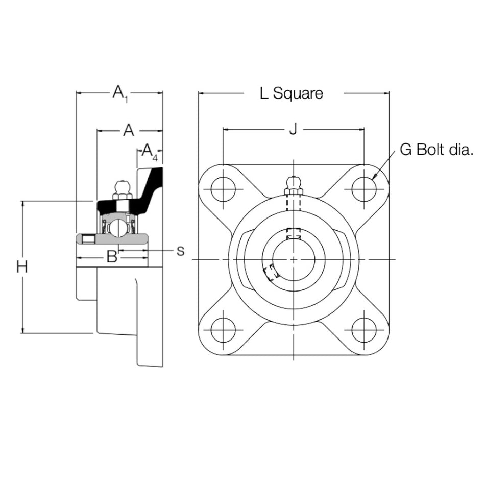
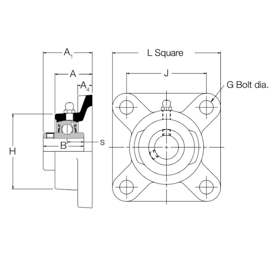
RHP Flange Bearings – Secure Fit, Enhanced Stability
Our RHP range also includes a comprehensive selection of flange bearing units, such as the RHP 4 bolt flange cast iron, RHP 4 bolt round flange cast iron, and both imperial and metric 2 bolt and 4 bolt hole flange bearings. These bearings are particularly suitable where space is limited, or where alignment accuracy is critical.
Designed to withstand radial loads and prevent shaft misalignment, RHP flange bearings provide robust support and maintain consistent performance in high-vibration and high-load environments.
RHP Take-Up Units – Flexible and Reliable Adjustment
We also stock a full selection of RHP Take-Up Units, available in both metric and imperial measurements. These bearing units are designed for use in conveyor systems and other applications where the bearing position needs to be adjusted periodically to maintain tension and alignment.
Constructed with durable cast iron and fitted with high-quality RHP bearings, these units offer easy tensioning and enhanced bearing life, reducing downtime and maintenance costs.
Specialist RHP Bearings – Ball Screw and Cylindrical Roller Bearings
In addition to standard housing units, we also supply specialist products like RHP Ball Screw Support Bearings, engineered for precision linear motion applications, and RHP Cylindrical Roller Bearings (Inch), ideal for high-load, high-speed applications such as gearboxes and electric motors.
These precision components are manufactured to strict tolerances and provide exceptional support in demanding applications requiring high radial load capacity, minimal friction, and long service life.
Why Choose RHP Products from Bearing King?
Choosing RHP products from Bearing King means choosing reliability, performance, and expertise. Whether you’re after RHP housing for a new build or replacing RHP bearings in legacy equipment, our extensive stock and technical knowledge ensure that we can meet your needs quickly and efficiently.
We understand the importance of quality components in keeping your machinery running smoothly. That’s why every RHP product we stock is genuine, fully tested, and ready to meet the performance standards your operation demands.
Explore Our Full RHP Range Today
From pillow block bearings to take-up units and specialist roller bearings, Bearing King’s RHP collection has everything you need for smooth, efficient, and reliable machine performance. Browse our full range online or contact our expert team for assistance in finding the perfect solution for your application.
