Spherical Plain Bearings

Spherical Plain Bearings

355 Products

Filter products

Bearing King can supply you the right plain bearing for every application

Spherical Plain Bearings – High-Performance Solutions from Bearing King

At Bearing King, we are proud to supply the right plain bearing for every application, offering high-quality solutions for a wide range of mechanical and industrial uses. Our extensive selection of spherical plain bearings ensures that engineers, maintenance teams, and OEMs can find the perfect fit for both light-duty and heavy-duty applications.

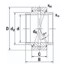
Spherical plain bearings, also known as plain spherical bearings, are specifically designed to accommodate angular misalignment and are ideal for applications involving oscillating movement or slow rotational motion under heavy loads. These bearings consist of an inner ring with a convex outer surface and an outer ring with a concave inner surface. This design allows for smooth rotation and tilting motion, making them suitable for use in a variety of demanding environments, including construction machinery, agricultural equipment, automotive suspensions, hydraulic cylinders, and industrial automation systems.

At Bearing King, we offer a wide variety of plain spherical bearings to meet diverse engineering requirements. Our collection features premium brands including:

BKL Spherical Plain Bearings

BKL is renowned for its commitment to reliability and performance. Bearing King stocks a full range of BKL spherical plain bearings in both metric and imperial sizes. These bearings are ideal for customers who need robust, cost-effective options without compromising on quality. Whether you need maintenance-free designs or versions requiring lubrication, BKL provides an exceptional balance of performance and value.

Dunlop Spherical Plain Bearings

Dunlop is a trusted name in the bearing industry and is known for producing highly durable components. Dunlop plain spherical bearings offer excellent resistance to wear and corrosion, making them ideal for use in harsh environments or under fluctuating loads. Available in various sizes and configurations, Dunlop bearings deliver long-lasting performance and are suitable for both radial and angular contact applications.

SKF Spherical Plain Bearings

SKF is a global leader in bearing technology, and their range of spherical plain bearings is no exception. These precision-engineered components are built for exceptional performance in demanding applications. SKF bearings feature advanced materials and surface treatments to enhance longevity, reduce friction, and support high dynamic loads. When only the best will do, SKF is the brand of choice for high-performance engineering.

Why Choose Bearing King for Spherical Plain Bearings?

At Bearing King, we don’t just sell products—we offer complete bearing solutions. We understand that every application is unique, which is why we stock an extensive selection of spherical plain bearings to suit a wide variety of load capacities, mounting options, and environmental conditions. Our knowledgeable team can assist you in selecting the right plain spherical bearing based on factors such as load direction, speed, operating temperature, and maintenance needs.

We cater to industries across the UK and beyond, supplying OEMs, workshops, and end-users with premium bearing solutions. Whether you’re replacing a worn-out component or designing a new system, Bearing King provides quality-assured products backed by expert advice and competitive pricing.

Browse our full collection of BKL, Dunlop, and SKF spherical plain bearings today and discover why Bearing King is the trusted choice for industrial and mechanical bearings in the UK.