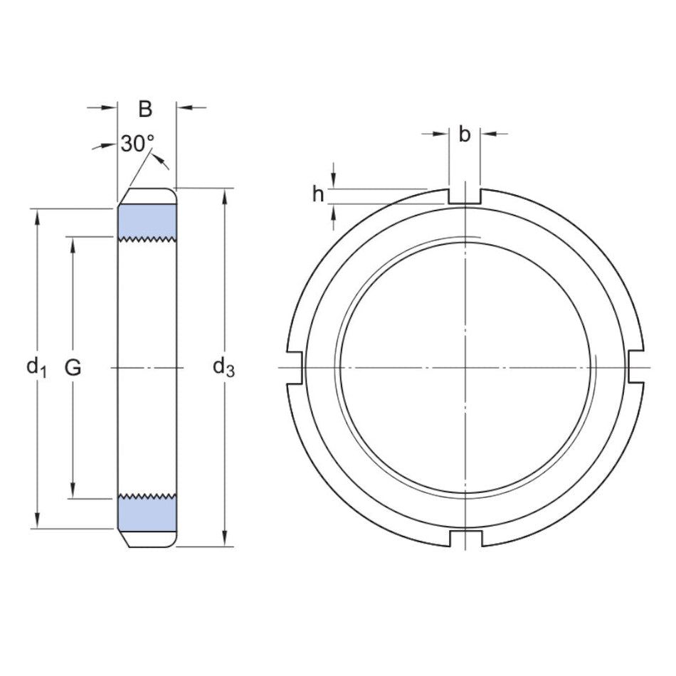
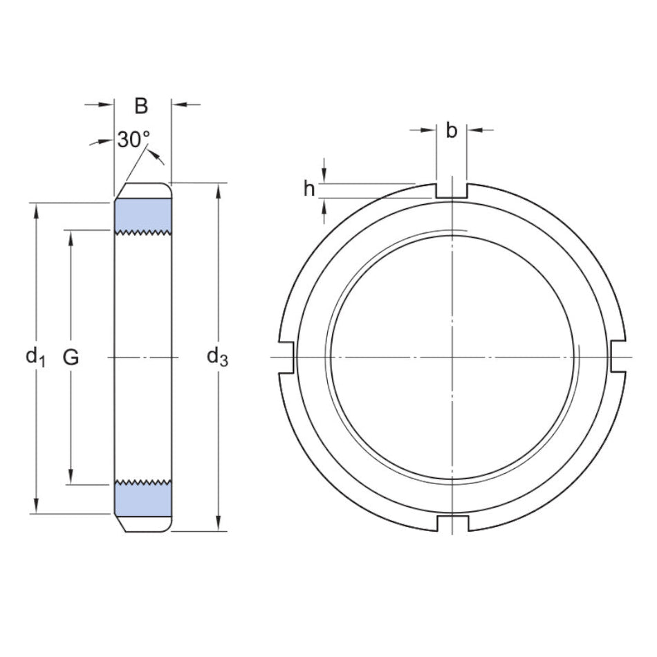
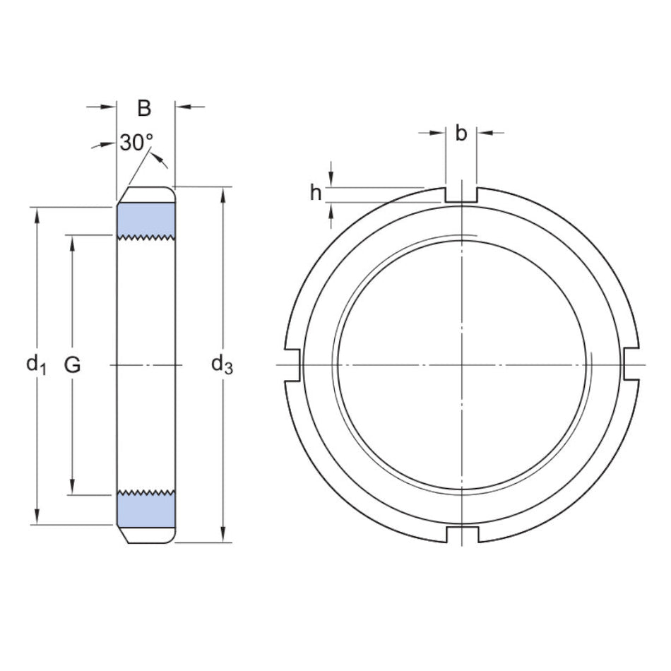
Lock nuts are used to locate bearings onto a shaft. Additionally, they can be used to mount bearings with a tapered bore onto tapered shaft seats and adapter sleeves, and to dismount bearings from withdrawal sleeves.
Lock nuts are also frequently used to secure gears, belt pulleys and other machine components
