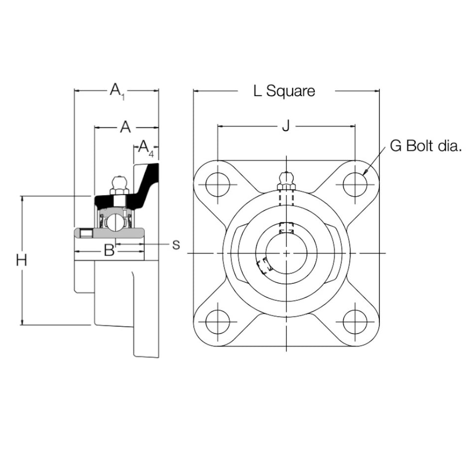
RHP 4 Bolt flange cast iron housings are made from high quality cast iron, and finished on unmachined surfaces with an electrostatic air drying paint.
These bearing housings have square flanges which can be easily installed onto a machine with four bolts. The distance between bolt holes of an oval flange type is generally equal to the distance between bolt holes diagonal position of square flange type.