NJ316-E-XL-TVP2-C3 FAG Cylindrical Roller Bearing 80x170x39mm
Couldn't load pickup availability
Product details
- Vendor FAG
- SKU NJ316-E-XL-TVP2-C3-FAG
- Inside diameter (d) 80mm
- Outside diameter (D) 170mm
- Width (B) 39mm
Cage TVP2 Solid Window Cage made from PA66
Radial internal clearance C3 Group 3 (C3)
Tolerance class PN Normal (PN)
Number of rolling element rows 1 Single-row design
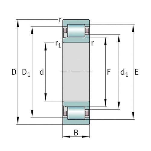
Main Dimensions & Performance Data
d 80 mm Bore diameter
D 170 mm Outside diameter
B 39 mm Width
C r 300,000 N Basic dynamic load rating, radial
C 0r 275,000 N Basic static load rating, radial
C ur 50,000 N Fatigue load limit, radial
n G 5,500 1/min Limiting speed
n ?r 4,100 1/min Reference speed
3.97 kg
Mounting dimensions
d a min 92 mm Minimum diameter shaft shoulder
d a max 99 mm Maximum diameter of shaft shoulder
D a max 158 mm Maximum diameter of housing shoulder
d c min 114 mm Minimum shaft shoulder
r a max 2.1 mm Maximum recess radius
Dimensions
r min 2.1 mm Minimum chamfer dimension
r 1 min 2.1 mm Minimum chamfer dimension
s 0.7 mm Axial displacement
E 151 mm Raceway diameter outer ring
F 101 mm Raceway diameter inner ring
D 1 min 143.9 mm Minimum rib diameter outer ring
d 1 110.4 mm Maximum rib diameter inner ring
Temperature range
T min -30 Degree celsius operating temperature min.
T max 120 Degree celsius operating temperature max.
Spend over £50 (excl VAT) and your Shipping is FREE. UK Mainland Only.
We offer a range of shipping options to suit you.
Royal Mail Standard Shipping
£2.00 - Our cheapest shipping method for parcels up to 500g. Parcels are sent using the Royal Mail standard shipping service and usually take 2-5 working days to arrive. This service isn’t tracked at any stage until point of delivery.
Royal Mail Tracked 48
£4.00 - Parcels up to 2kg. Their aim is to deliver in 2-3 working days. You will receive an email from Royal Mail with full tracking details.
Next Working Day – UK Mainland Only
£8.50 – Orders placed before 4pm will be received the next working day, Monday to Friday. You will receive an email from the courier with full tracking details. We tend to use UPS, DPD or Royal Mail Next Day.
Northern Ireland 2 Day Service
£15.00 – This is a two day service to Northern Ireland. You will receive an email from the courier with full tracking details. We tend to use UPS, DPD or Royal Mail.
Northern Ireland Next Day Service
£35.00 - This is a next day service to Northern Ireland. You will receive an email with full tracking details. We tend to use UPS, DPD or Royal Mail Next Day.
Next Working Day AM – Pre 12 UK Mainland Only
£20.00 - Orders placed before 4pm will be received the next working day before Midday. You will receive an email from the courier with full tracking details. We tend to use UPS, DPD or Royal Mail.
Next Working Day AM – Pre 10.30 UK Mainland Only
£25.00 - Orders placed before 4pm will be received the next working day before 10.30am. You will receive an email from the courier with full tracking details.
Scottish Islands 2-3 Day Service
£25.00 - This is a two to three day service. You will receive an email from the courier with full tracking details.
Scottish Highlands 2-3 Day service
£35.00 - This is a two to three day service. You will receive an email from the courier with full tracking details.
SAME DAY TAXI – Please call 01709 527269 for a quote and we will try to accommodate where possible.
Click and Collect
FREE - We offer a Click & Collect service for customers that are able to collect from our premises at Bearing King. Unit 5, Northfield Business Park, Parkgate, Rotherham S60 1SD United Kingdom.
Please note, you will be notified by email when your order is available for collection.
Shipping Internationally – Europe and Rest of the World
We offer a range of options for shipping around the world. These choices will be displayed dependent on your shipping location once the item is in your basket and you are ready to Checkout.
Returns Policy
1. You may return an unused item in new condition unless faulty within 30 days of receipt. Damaged or used goods cannot be refunded.
2. A copy of our returns form must be included with the returned goods.
3. Customers will be responsible for the original and return shipping charges unless our customer service department determines that we are at fault for an order error or product defect. Bearing King will not be responsible for any return item lost in transit.
4. Once we receive the package and the goods are checked, we will refund you by the payment method used when the order was placed.
5. Please allow 3-5 days for your return to be processed or exchange to be sent.