NKS22 INA Needle Roller Bearing without Inner Ring 22x35x20mm
Pickup available at Bearing King
Usually ready in 24 hours
Product details
- Vendor INA
- SKU NKS22-INA
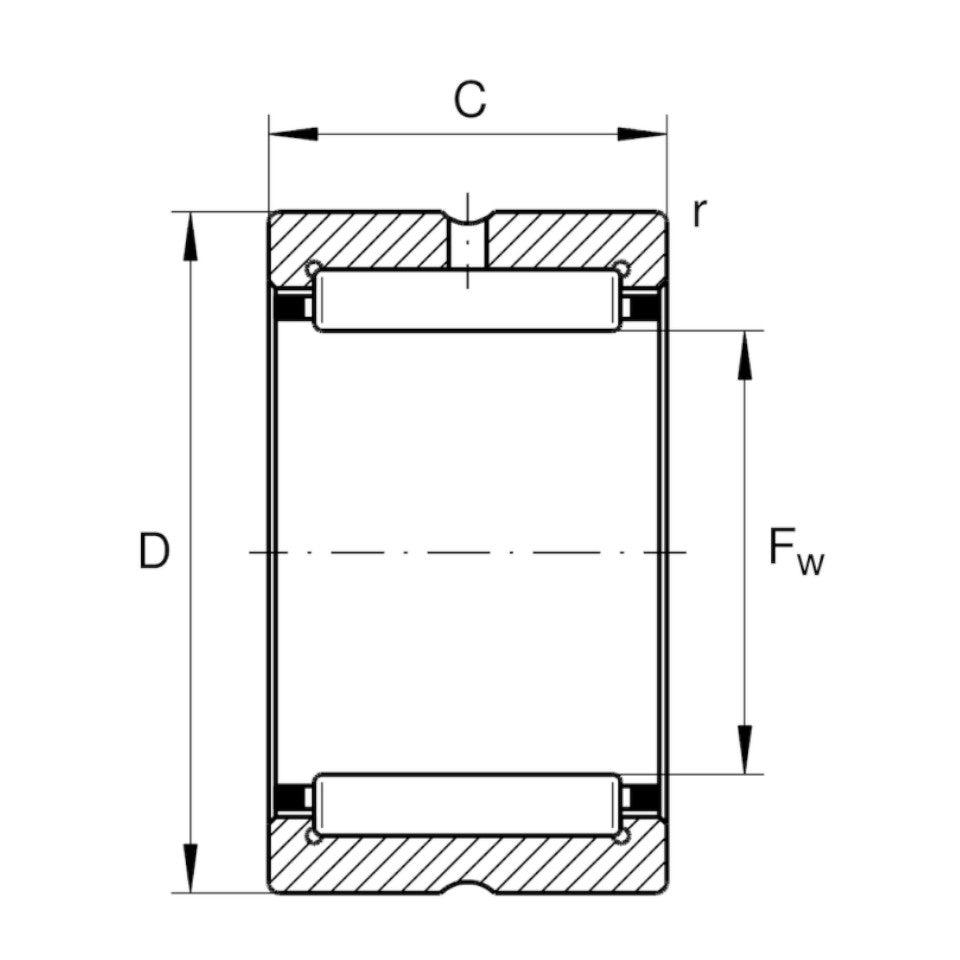
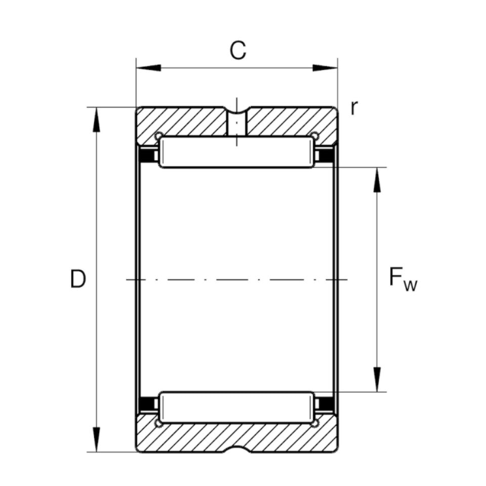
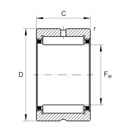
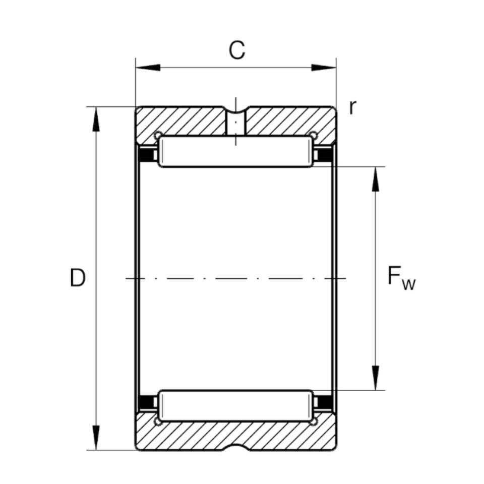
- Inside diameter (d) 22mm
- Outside diameter (D) 35mm
- Width (B) 20mm
The INA NKS22 Needle Roller Bearing is a high-quality, precision-engineered bearing designed for demanding industrial applications. Manufactured by INA, one of the world’s leading bearing specialists, this bearing is built to deliver excellent load capacity, compact design, and long service life.
The NKS22 features a machined outer ring and a needle roller and cage assembly, allowing it to handle high radial loads while maintaining a minimal radial cross-section. Its robust construction and premium-grade materials make it ideal for use in gearboxes, pumps, compressors, and various transmission systems where space and reliability are critical.
Brand: INA
Part Number: NKS22
Type: Needle Roller Bearing (Machined Ring)
Inside Diameter: 22mm
Outside Diameter: 35mm
Width: 20mm
Key Features
High load-carrying capacity in a compact design
Machined outer ring for superior accuracy and durability
No inner ring, suitable when the shaft can be used as a raceway
Excellent running accuracy and reduced friction
Reliable performance even under high-speed or heavy-duty conditions
Basic dynamic load rating, radial: 27500 N
Basic static load rating, radial: 28000 N
Fatigue limit load, radial: 4900 N
Limiting speed: 17200 1/min
Reference speed: 9700 1/min
Mass: 61.5g
Applications
Automotive transmissions
Agricultural machinery
Industrial gearboxes
Machine tools
Pumps and compressors
Why Choose Bearing King Ltd
At Bearing King Ltd, we supply genuine INA bearings backed by expert advice, fast delivery, and competitive pricing. Whether you need a single bearing or bulk supply, our experienced team ensures you get the right product, every time.
Spend over £50 (excl VAT) and your Shipping is FREE. UK Mainland Only.
We offer a range of shipping options to suit you.
Royal Mail Standard Shipping
£2.00 - Our cheapest shipping method for parcels up to 500g. Parcels are sent using the Royal Mail standard shipping service and usually take 2-5 working days to arrive. This service isn’t tracked at any stage until point of delivery.
Royal Mail Tracked 48
£4.00 - Parcels up to 2kg. Their aim is to deliver in 2-3 working days. You will receive an email from Royal Mail with full tracking details.
Next Working Day – UK Mainland Only
£8.50 – Orders placed before 4pm will be received the next working day, Monday to Friday. You will receive an email from the courier with full tracking details. We tend to use UPS, DPD or Royal Mail Next Day.
Northern Ireland 2 Day Service
£15.00 – This is a two day service to Northern Ireland. You will receive an email from the courier with full tracking details. We tend to use UPS, DPD or Royal Mail.
Northern Ireland Next Day Service
£35.00 - This is a next day service to Northern Ireland. You will receive an email with full tracking details. We tend to use UPS, DPD or Royal Mail Next Day.
Next Working Day AM – Pre 12 UK Mainland Only
£20.00 - Orders placed before 4pm will be received the next working day before Midday. You will receive an email from the courier with full tracking details. We tend to use UPS, DPD or Royal Mail.
Next Working Day AM – Pre 10.30 UK Mainland Only
£25.00 - Orders placed before 4pm will be received the next working day before 10.30am. You will receive an email from the courier with full tracking details.
Scottish Islands 2-3 Day Service
£25.00 - This is a two to three day service. You will receive an email from the courier with full tracking details.
Scottish Highlands 2-3 Day service
£35.00 - This is a two to three day service. You will receive an email from the courier with full tracking details.
SAME DAY TAXI – Please call 01709 527269 for a quote and we will try to accommodate where possible.
Click and Collect
FREE - We offer a Click & Collect service for customers that are able to collect from our premises at Bearing King. Unit 5, Northfield Business Park, Parkgate, Rotherham S60 1SD United Kingdom.
Please note, you will be notified by email when your order is available for collection.
Shipping Internationally – Europe and Rest of the World
We offer a range of options for shipping around the world. These choices will be displayed dependent on your shipping location once the item is in your basket and you are ready to Checkout.
Returns Policy
1. You may return an unused item in new condition unless faulty within 30 days of receipt. Damaged or used goods cannot be refunded.
2. A copy of our returns form must be included with the returned goods.
3. Customers will be responsible for the original and return shipping charges unless our customer service department determines that we are at fault for an order error or product defect. Bearing King will not be responsible for any return item lost in transit.
4. Once we receive the package and the goods are checked, we will refund you by the payment method used when the order was placed.
5. Please allow 3-5 days for your return to be processed or exchange to be sent.
