QJ211-XL-MPA-C3-FAG Four Point Contact Ball Bearing 55x100x21mm
Couldn't load pickup availability
Product details
- Vendor FAG
- SKU QJ211-XL-MPA-C3-FAG
- Inside diameter (d) 55mm
- Outside diameter (D) 100mm
- Width (B) 21mm
If predominantly radial load is present, four point contact bearings should not be used due to the higher friction in the four point contact.
One of the two bearing rings, normally the inner ring, is split for assembly reasons in order to allow filling with the balls. As four point contact bearings are often fitted without radial retention, the outer rings can be designed as an option with retaining slots to prevent rotation.
A main area of application is in gearbox engineering, where axial loads are present in both directions and close axial guidance is required in conjunction with a small bearing width.
Four point contact bearings are often combined with a radial bearing and used as an axial bearing with radial clearance in a housing.
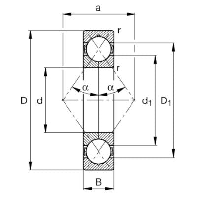
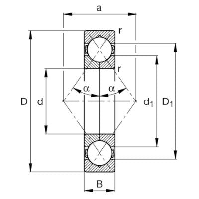
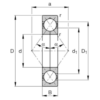
Main Dimensions & Performance Data
d 55 mm Bore diameter
D 100 mm Outside diameter
B 21 mm Width
C r 81,000 N Basic dynamic load rating, radial
C 0r 76,000 N Basic static load rating, radial
C ur 5,300 N Fatigue load limit, radial
n G 9,100 1/min Limiting speed
n ur 5,800 1/min Reference speed
0.66 kg Weight
Mounting dimensions
d a min 64 mm Minimum diameter shaft shoulder
D a max 91 mm Maximum diameter of housing shoulder
r a max 1.5 mm Maximum fillet radius
Dimensions
r min 1.5 mm Minimum chamfer dimension
D 1 84.7 mm Shoulder diameter outer ring
d 1 70.4 mm Shoulder diameter inner ring
a 54 mm Distance between the apexes of the pressure cones
35 Degree contact angle
Temperature range
T min -30 Degree celsius operating temperature min.
T max 120 Degree celsius operating temperature max.
Design, bearing outer ring S Standard
Cage MPA solid brass cage, outer ring guided
Tolerance class PN Normal (PN)
Dimensional / heat stabilization S0 Rings dimensional stabilized up to 150degree celsius
Axial internal clearance C3 Group 3 (C3), bigger than CN
Spend over £50 (excl VAT) and your Shipping is FREE. UK Mainland Only.
We offer a range of shipping options to suit you.
Royal Mail Standard Shipping
£2.00 - Our cheapest shipping method for parcels up to 500g. Parcels are sent using the Royal Mail standard shipping service and usually take 2-5 working days to arrive. This service isn’t tracked at any stage until point of delivery.
Royal Mail Tracked 48
£4.00 - Parcels up to 2kg. Their aim is to deliver in 2-3 working days. You will receive an email from Royal Mail with full tracking details.
Next Working Day – UK Mainland Only
£8.50 – Orders placed before 4pm will be received the next working day, Monday to Friday. You will receive an email from the courier with full tracking details. We tend to use UPS, DPD or Royal Mail Next Day.
Northern Ireland 2 Day Service
£15.00 – This is a two day service to Northern Ireland. You will receive an email from the courier with full tracking details. We tend to use UPS, DPD or Royal Mail.
Northern Ireland Next Day Service
£35.00 - This is a next day service to Northern Ireland. You will receive an email with full tracking details. We tend to use UPS, DPD or Royal Mail Next Day.
Next Working Day AM – Pre 12 UK Mainland Only
£20.00 - Orders placed before 4pm will be received the next working day before Midday. You will receive an email from the courier with full tracking details. We tend to use UPS, DPD or Royal Mail.
Next Working Day AM – Pre 10.30 UK Mainland Only
£25.00 - Orders placed before 4pm will be received the next working day before 10.30am. You will receive an email from the courier with full tracking details.
Scottish Islands 2-3 Day Service
£25.00 - This is a two to three day service. You will receive an email from the courier with full tracking details.
Scottish Highlands 2-3 Day service
£35.00 - This is a two to three day service. You will receive an email from the courier with full tracking details.
SAME DAY TAXI – Please call 01709 527269 for a quote and we will try to accommodate where possible.
Click and Collect
FREE - We offer a Click & Collect service for customers that are able to collect from our premises at Bearing King. Unit 5, Northfield Business Park, Parkgate, Rotherham S60 1SD United Kingdom.
Please note, you will be notified by email when your order is available for collection.
Shipping Internationally – Europe and Rest of the World
We offer a range of options for shipping around the world. These choices will be displayed dependent on your shipping location once the item is in your basket and you are ready to Checkout.
Returns Policy
1. You may return an unused item in new condition unless faulty within 30 days of receipt. Damaged or used goods cannot be refunded.
2. A copy of our returns form must be included with the returned goods.
3. Customers will be responsible for the original and return shipping charges unless our customer service department determines that we are at fault for an order error or product defect. Bearing King will not be responsible for any return item lost in transit.
4. Once we receive the package and the goods are checked, we will refund you by the payment method used when the order was placed.
5. Please allow 3-5 days for your return to be processed or exchange to be sent.
