Angular contact ball bearings have raceways in the inner and outer rings which are displaced with respect to each other in the direction of the bearings axis. This means that they are suitable for combined loads both radial and axial.
Designs and Variants
Angular contact ball bearings have raceways in the inner and outer rings that are displaced with respect to each other in the direction of the bearing axis. This means that they are designed to accommodate combined loads, i.e. simultaneously acting radial and axial loads.
The axial load carrying capacity of angular contact ball bearings increases with increasing contact angle. The contact angle is defined as the angle between the line joining the points of contact of the ball and the raceways in the radial plane, along which the load is transmitted from one raceway to another, and a line perpendicular to the bearing axis
SKF angular contact ball bearings are manufactured in a wide variety of designs and sizes. the most commonly used designs are:
Single row angular contact ball bearings
Double row angular contact ball bearings
Four-point contact ball bearings
Single row angular contact ball bearings
SKF Single row angular contact ball bearings can accommodate axial loads in one direction only. A single row bearing is typically adjusted against a second bearing. The bearings are non-separable and the bearing rings have one high and one low shoulder. The low shoulder enables a large number of balls to be incorporated in the bearing, giving it a relatively high load carrying capacity.
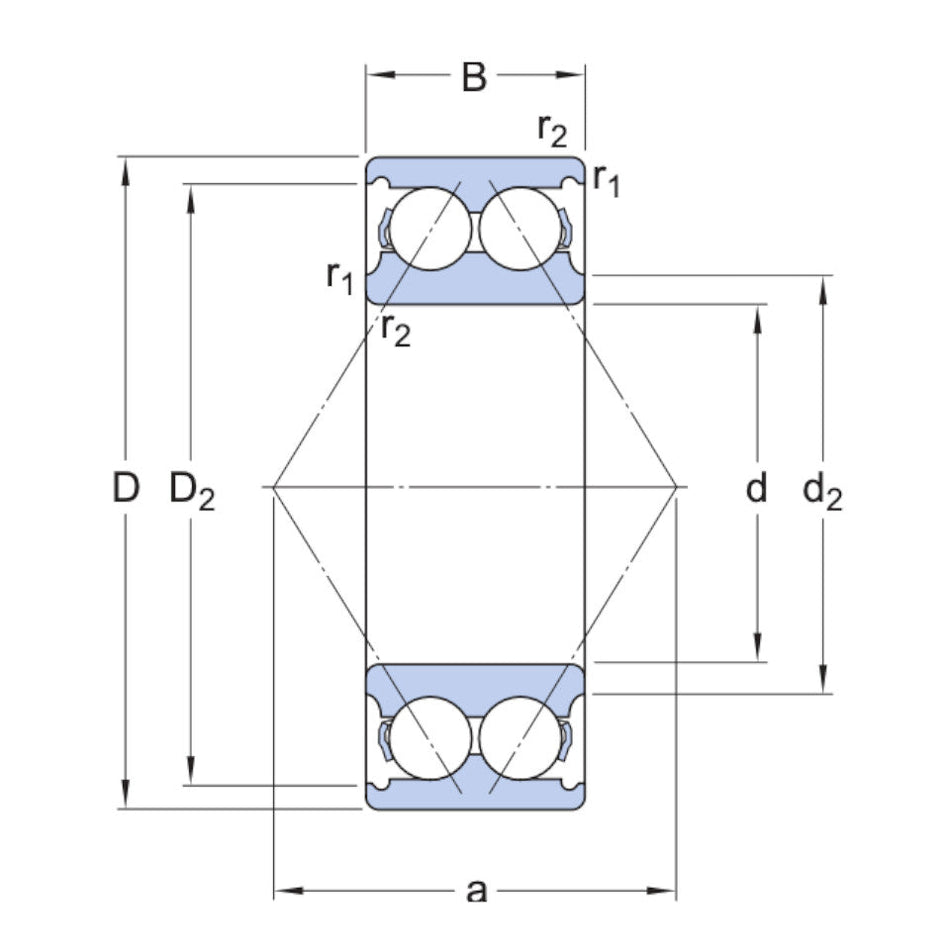
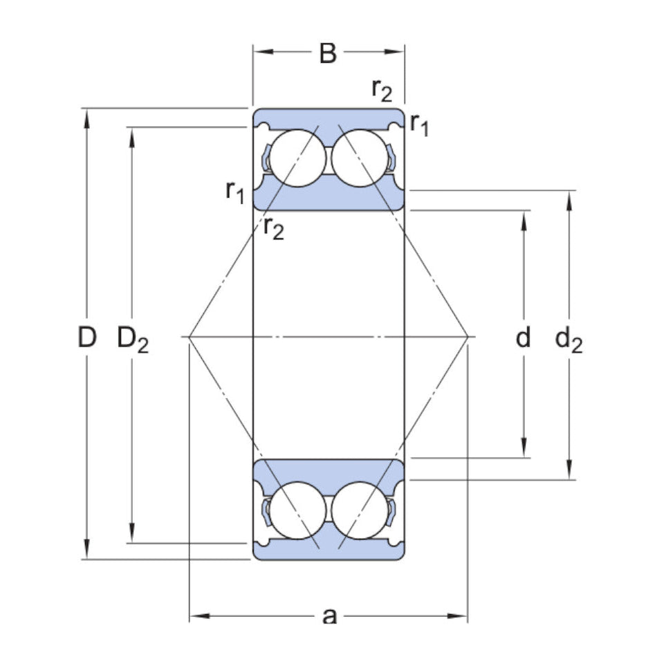
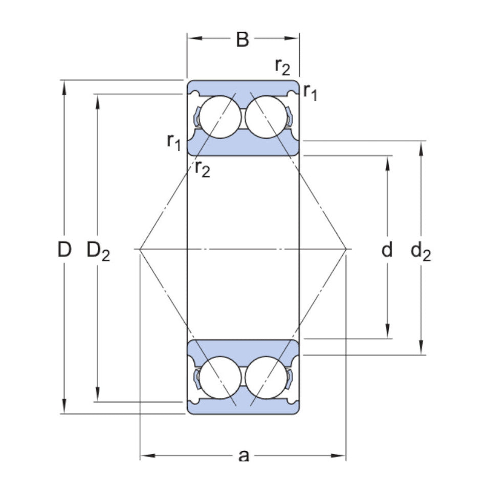
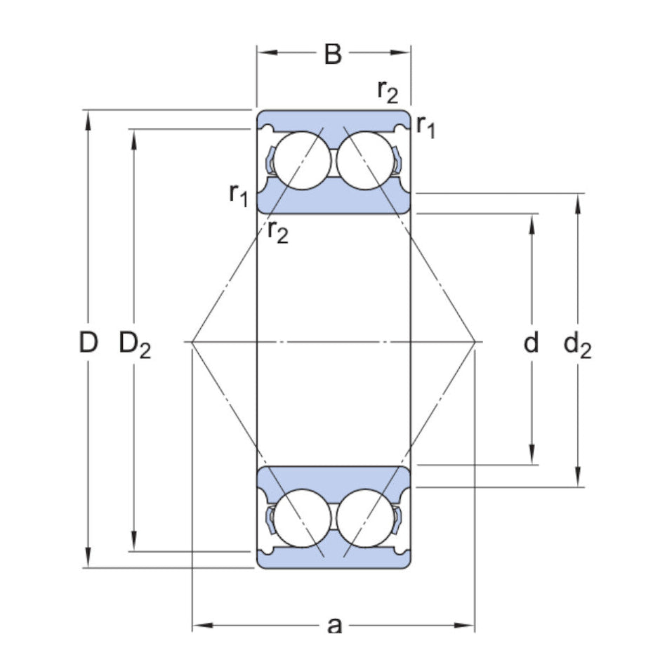
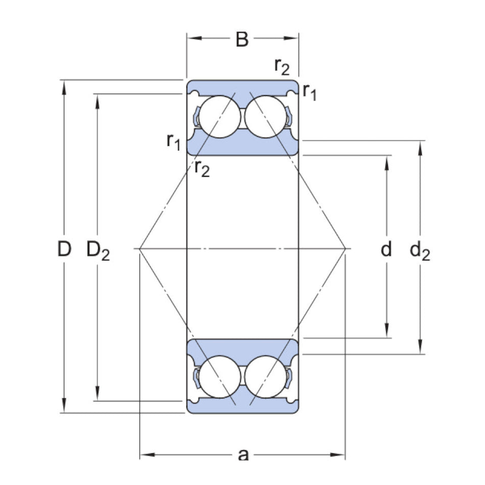
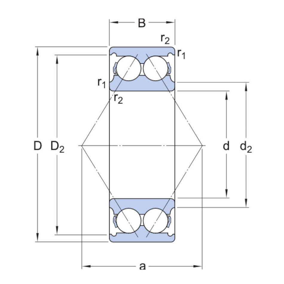
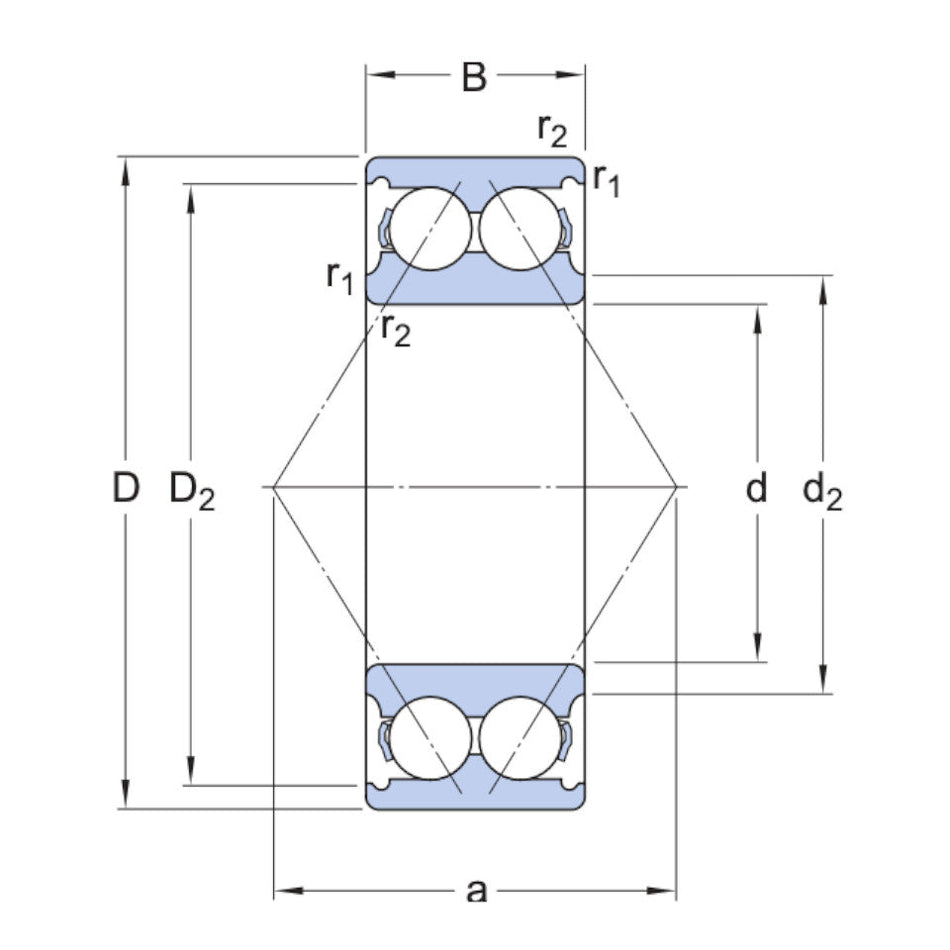
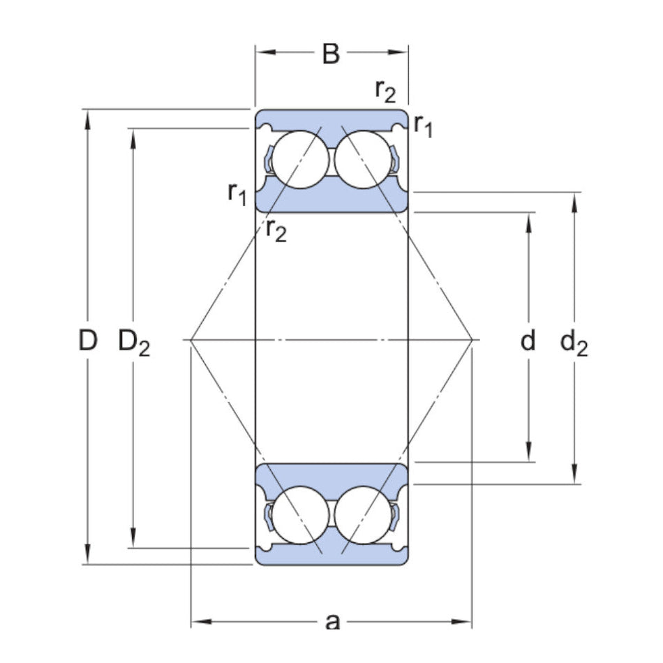
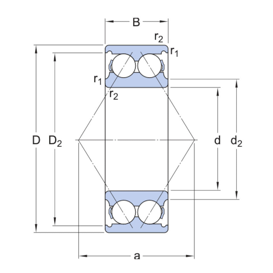
Double row angular contact ball bearings
SKF Double row angular contact ball bearings correspond in design to two single row angular contact ball bearings arranged back-to-back, but take up less axial space. They can accommodate radial loads as well as axial loads in both directions. They provide stiff bearing arrangements and are able to accomodate tilting moments.
Four-point contact ball bearings
Four-point contact ball bearings are radial single row angular contact ball bearings with raceways that are designed to support axial loads in both directions. For a given axial load, a limited radial load can be supported. These bearings take up considerably less axial space than double row bearings. The inner ring is split. This enables a large number of balls to be incorporated in the bearing, giving the bearing its high load carrying capacity.
