Track Rollers

Track Rollers

Track rollers are designed to run on all types of tracks and to be used in cam drives, conveyor systems, etc.

At Bearing King, we provide a comprehensive range of track rollers designed for performance, durability and versatility across multiple applications. Track rollers are essential in machinery where guided linear motion and the ability to handle high radial loads are required. Commonly used in roller track systems, cam drives, conveyor technology and automation, they are built to withstand tough operating conditions while ensuring smooth and consistent performance.

What Are Track Rollers?

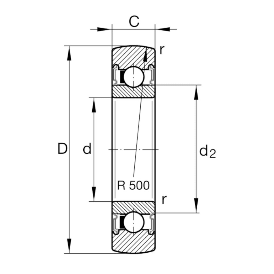
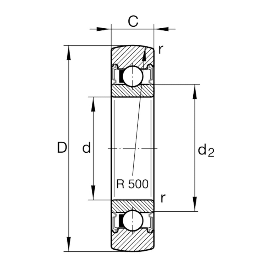
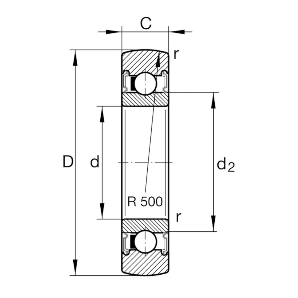
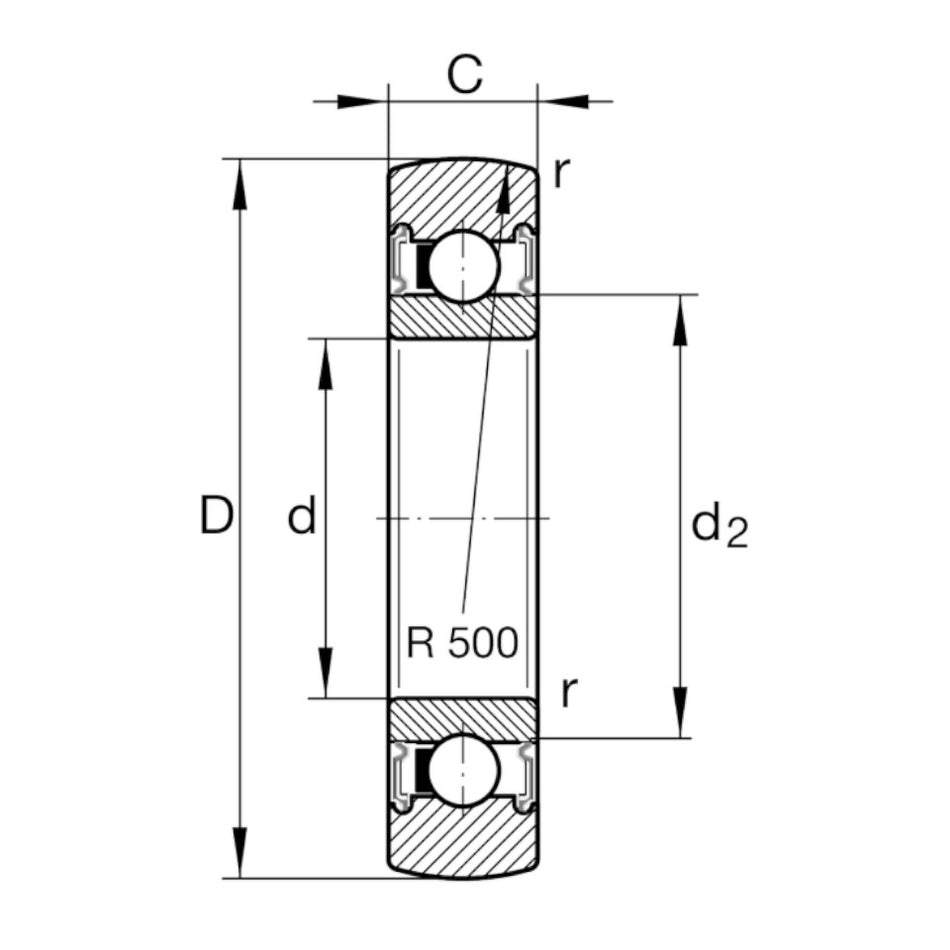
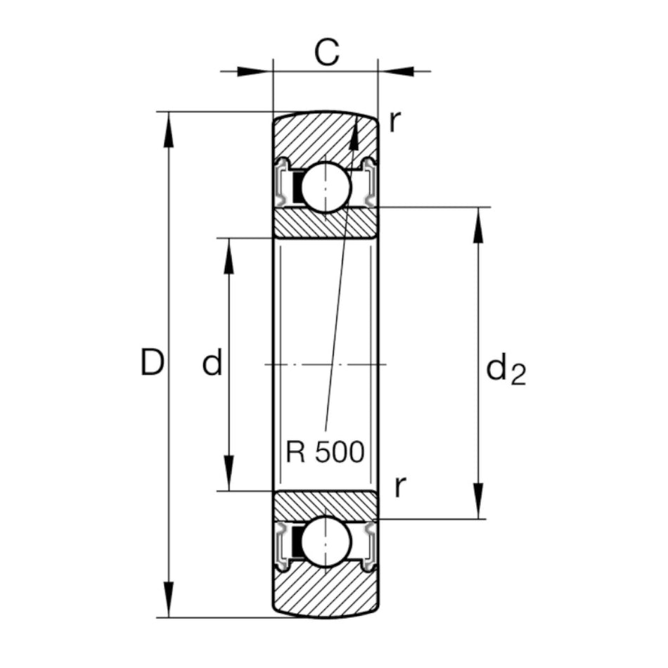
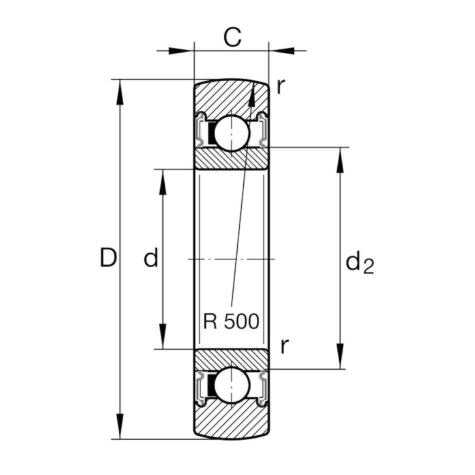
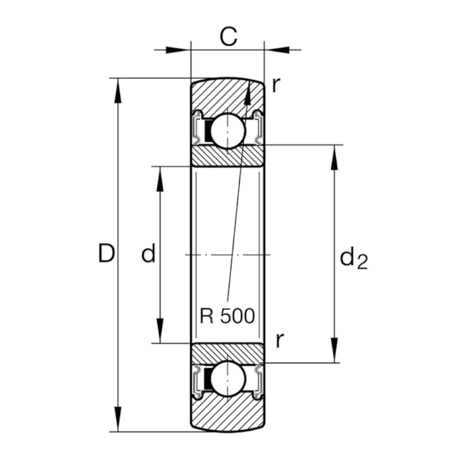
Track rollers are specialised rolling elements designed to run directly on tracks, guiding systems or cam surfaces. Their key role is to support radial loads and absorb shocks while providing reliable movement along a set path. Unlike conventional bearings, they feature thick-walled outer rings that enable them to manage heavier stresses and minimise deformation. This makes them indispensable in industries such as manufacturing, packaging, material handling, construction and transport.

Depending on the design, track rollers can be supplied with a crowned outer ring or a cylindrical (flat) outer ring running surface. Crowned rollers are particularly beneficial in situations where misalignment or tilting might occur, as they reduce edge stresses and extend service life. Flat rollers, on the other hand, provide maximum contact for accurate guidance in well-aligned systems.

SKF Track Rollers – Ready to Mount

Bearing King proudly stocks SKF track rollers, supplied greased, sealed and ready for installation. SKF is a world-renowned brand known for engineering precision and durability, ensuring that every roller tracker we supply meets the highest performance standards. With a wide assortment available, our customers can choose from multiple designs to suit a broad range of operating conditions.

Types of Track Rollers Available

The Bearing King product collection includes:

  • Cam Rollers – Yoke-type track rollers based on ball bearings, suitable for high-speed applications where low friction is important.

  • Support Rollers – Yoke-type track rollers designed with roller bearings, offering excellent radial load capacity and robustness for heavy-duty operations.

  • Cam Followers – Stud-type track rollers based on roller bearings, featuring a threaded stud for quick and secure installation, making them ideal for applications with limited space.

Features and Benefits of Track Rollers

Our track rollers are built with performance and longevity in mind. Key benefits include:

  • High Radial Load Capacity – The thick-walled outer ring enables them to accommodate heavy radial loads while reducing bending stresses.

  • Extended Service Life – The crowned running surface minimises edge stresses and compensates for misalignment, ensuring long-term reliability.

  • Sealed and Lubricated – SKF track rollers are supplied pre-greased and sealed, reducing the need for maintenance and preventing contamination.

  • Wide Range of Options – From different diameters to specialised coatings, our roller track products are suitable for virtually any industrial application.

Applications of Track Rollers

Track rollers are used in a diverse range of sectors, including:

  • Conveyor Systems – for reliable transport of materials in warehouses, factories and logistics centres.

  • Cam Drives – in automated equipment requiring precise and repeatable movements.

  • Industrial Machinery – providing stability and efficiency in textile machines, printing presses and packaging equipment.

  • Construction and Agriculture – offering durability in tough environments where shock loads and contaminants are present.

  • Automated Handling Systems – where roller tracker solutions ensure smooth, controlled and long-lasting performance.

Why Choose Bearing King?

At Bearing King, we combine technical expertise with an extensive product range to ensure our customers receive the right track rollers for their needs. With SKF’s proven engineering, robust designs and ready-to-install convenience, our products provide long service life, minimal downtime and exceptional value. Whether you require cam rollers, support rollers or cam followers, our dedicated team can recommend the ideal roller track solution for your machinery.